électroniques

Pédale de distorsion

Nombreux sont les guitaristes qui utilisent cet artifice, tant les bluesmen que les rockers bon teint, celle ci est inspirée de la très connue TS9 de chez Ibanez, mais avec quelques adaptations, le potentiomètre de tonalité est beaucoup plus efficace, un inter « bass boost », donne la possibilité de générer d’avantage de distorsion dans les graves, et en sélectionnant les diodes, on a divers niveaux de distorsion. Avec 2 diodes 1N4148, on reste dans la gamme de distorsion douce de la TS9, avec 2 led, c’est assez différent, la couleur des led a son importance, les rouges et les vertes n’ont pas le même seuil d’écrétage, on pourrait aussi mettre 2 diodes au germanium genre OA70 ou OA95 , ou encore mettre 2 diodes différentes comme une 1N4148 et une LED ou tout autre genre de diode comme une 1N4002, cette solution permet de générer des harmoniques paires ou encore remplacer chaque diode par un assemblage de plusieures diodes en série, comme 3 OA70, ou encore 2 schottky; bref c’est au choix de chacun, suivant ses goûts: faites des essais, c’est pas pour ce que coûtent les diodes! Un commutateur multi-positions est prévu avec assez de possibilités (en X) pour satisfaire la demande de chacun.(Voir schéma ci-dessous).

Le circuit intégré est ici un NE5532, mais vous pouvez y mettre autre chose compatible comme le RC4558 ou JRC4558 initialement monté sur la TS9 ou encore un LM833,TLC2202,TLC2272,OP275, etc… Les transistors MPSA06 peuvent être remplacés par à peu près n’importe quel NPN, genre BC107/108/109 ou dérivés.

Pédale Wah/Volume

Les pédales wah-wah les plus répandues sont la Dunlop et la Vox, ces 2 pédales ont le même schéma et les mêmes valeurs de composants et leur schéma est ci-dessous, à gauche.
On peut aisément leur attribuer une seconde fonction qui est celle d’une pédale de volume avec un modification simple, la fonction wah-wah étant toujours présente, voir les modifications apportées dans le schéma situé à droite ci-dessous. Les commutations ainsi que l’alimentation par une alim extérieure ne sont pas représentées.

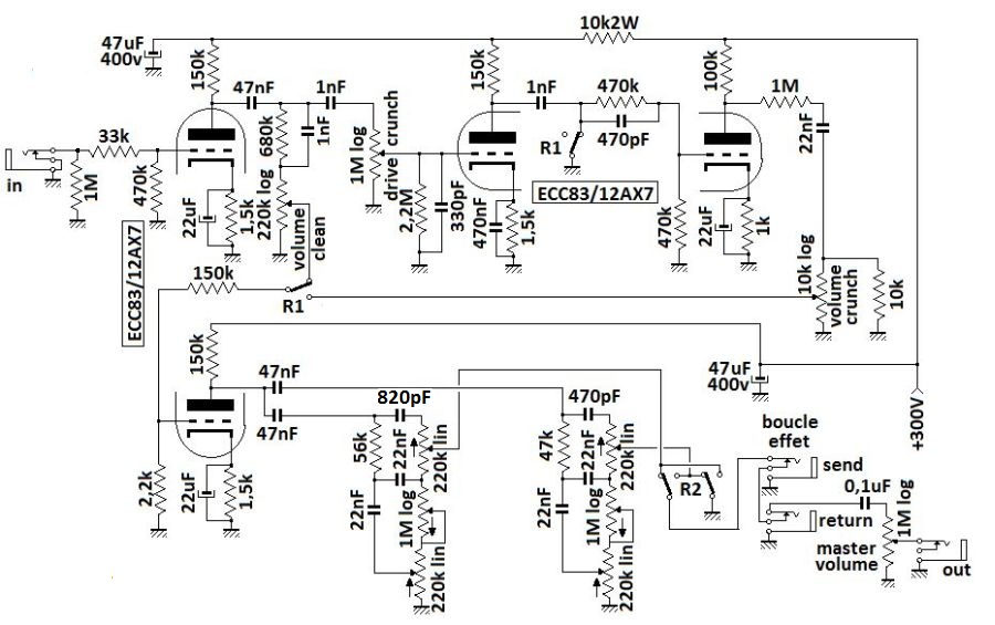
Pour les inconditionnels des lampes, j’ai commis, ici un préampli simple à 2 canaux, un clair (clean) et un saturé (crunch), muni d’un correcteur graves/médiums/aiguës par canal, d’un master volume et d’une entrée/sortie pour une boîte à effets extérieure. Je n’ai rien inventé, ce schéma est la compilation de ce qui existe sur le marché, arrangé à ma sauce, et ne comporte que 2 lampes ECC83/12AX7 aisément trouvables (évitez les chinoiseries ou japoniaiseries, choisissez plutôt du Sovtek ou du JJ, et si possible, à grille cadre). La commutation des 2 canaux d’effectue par 2 relais reed ou n’importe quels relais double inverseur, commandés en basse tension via une pédale munie d’un interrupteur solide (commande au pied de mamouth). Pour le brochage des lampes, voir le chapitre sur les amplis à tubes destinés à la hi-fi, dito pour l’alimentation qui peut être celle du préampli SRPP du même chapitre à laquelle on peut enlever le diviseur résistif placé dans le circuit filaments (220k, 82k et 470nF).


Les 2 relais, R1 et R2, sont représentés en position « canal clair », les condensateurs non polarisés sont du type MKT(C368)isolés à 400V pour les valeurs à partir de 1nF et styroflex pour les valeurs inférieures à 1nF, les chimiques de découplage des résistance placées dans les cathodes sont isolés à 16V. Les flèches indiquent le sens de déplacement des potentiomètres (rotation dans le sens des aiguilles d’une montre).
Pour la partie étages de puissance, jusqu’à 15w, les tubes peuvent convenir, au dessus, c’est à dire dans les 50/100w, voire d’avantage, les semiconducteurs me paraissent plus indiqués, pour plusieurs raisons, tout d’abord, le prix de revient, ensuite l’entretien, à savoir transport avec précautions, retubage régulier, réglages des courants de repos à voir de temps à autre et surtout le poids, les transfos d’alim et de sortie sont lourds, quand un bassiste a porté sa tête d’ampli SVT600, il n’a plus de bras pour jouer… ;-))
Donc, pour les fortes puissance ainsi que pour les amplis de basse: semi-conducteurs, prenez par exemple l’ampli à transistors du chapitre ampli hi-fi à semi-conducteurs, qui ira très bien , et de prix de revient abordable. J’ai d’ailleurs déjà commis un combo équipé d’un 31cm electro-voice et de ce type d’ampli dans le bas de l’enceinte, le tout précédé d’un préampli genre Soldano, je vous assure que les 10 premiers rangs reculent…
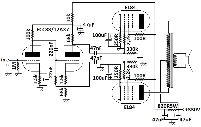
Pour les petits clubs , bistrots, et même pour les grandes scènes lorsque l’ampli est repris par la sono, un simple push pull d’EL84 suffit; là, il n’est plus question de hifi, je dirais même que les guitaristes aiment assez bien la distorsion naturelle des lampes.
Ci-après un exemple du genre, le transfo de sortie ne comporte pas de prises d’écran et n’a pas besoin de beaucoup de fer, étant donné qu’une guitare ne descend pas en dessous de 80Hz (82,4Hz pour la corde de mi grave), donc, prendre un transfo de sortie pas cher, par exemple un Hammond 1608 ou un TU101 Audax d’occasion, en brocante ou sur e-bay. Il n’y a pas de boucle de contre-réaction, ce qui donne un son assez claquant.